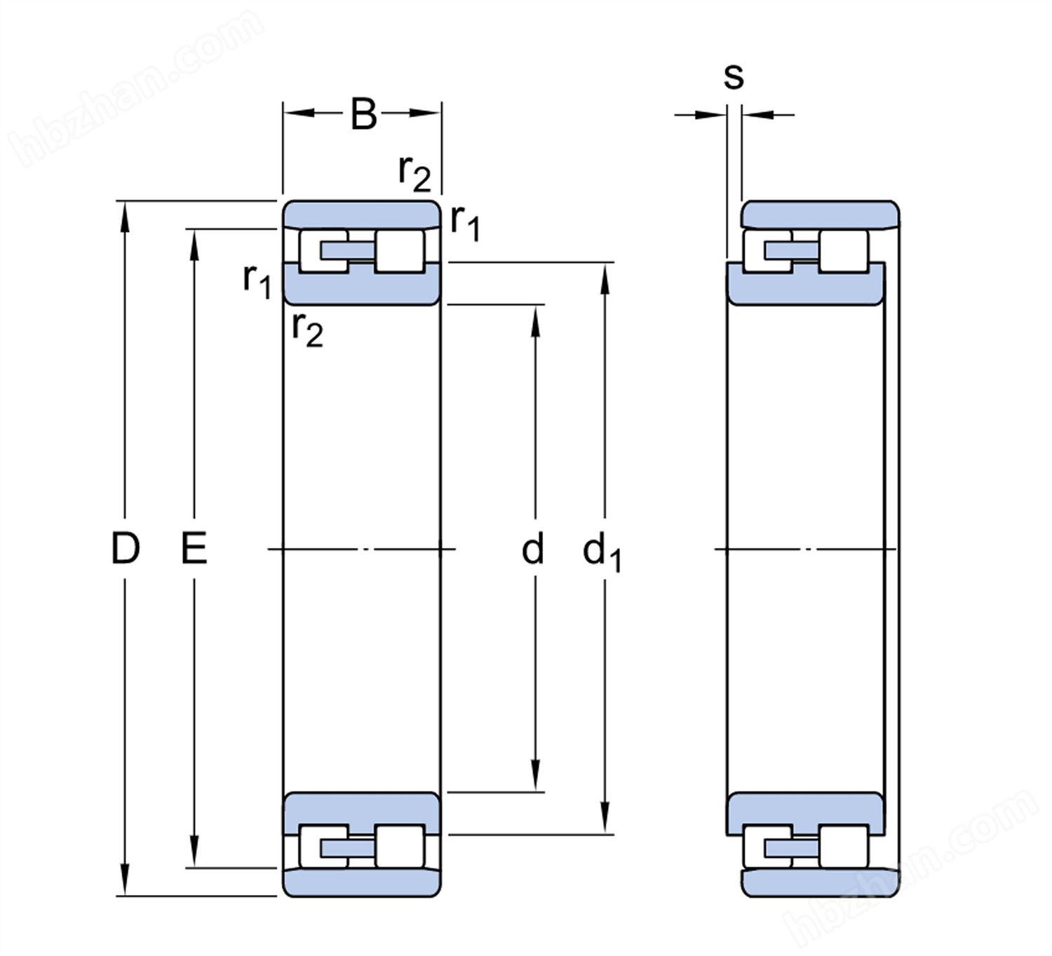
精密機(jī)床雙列短圓柱滾子軸承

| 軸承Bearings | 尺寸 Demensions | 轉(zhuǎn)速 RPM | 剛度 stiffness | 重量Weight | ||||||||
| d | D | b | Rmin | E | n | s | Oil | Lub. | Rr | Ra | ≈ | |
| Mm | KN | r/min | Kg | |||||||||
| NN3006K | 30 | 55 | 19 | 1 | 48.5 | 4.8 | 1.4 | 29 | 34 | 16000 | 19000 | 0.19 |
| NN3007K | 35 | 62 | 20 | 1 | 55 | 4.8 | 1.4 | 35.5 | 44 | 14000 | 17000 | 0.25 |
| NN3008K | 40 | 68 | 21 | 1 | 61 | 4.8 | 1.4 | 45 | 58.5 | 12000 | 15000 | 0.31 |
| NN3009K | 45 | 75 | 23 | 1 | 67.5 | 4.8 | 1.7 | 54 | 72 | 11000 | 14000 | 0.4 |
| NN3010K | 50 | 80 | 23 | 1 | 72.5 | 4.8 | 1.7 | 57 | 80 | 10000 | 13000 | 0.41 |
| NN3011K | 55 | 90 | 26 | 1.1 | 81 | 4.8 | 1.9 | 72 | 100 | 9000 | 11000 | 0.65 |
| NN3012K | 60 | 95 | 26 | 1.1 | 86.1 | 4.8 | 1.9 | 75 | 110 | 8500 | 10000 | 0.67 |
| NN3013K | 65 | 100 | 26 | 1.1 | 91 | 4.8 | 1.9 | 76.5 | 116 | 8000 | 9500 | 0.74 |
| NN3014K | 70 | 110 | 30 | 1.1 | 100 | 6.5 | 2.3 | 98 | 150 | 7000 | 8500 | 1.07 |
| NN3015K | 75 | 115 | 30 | 1.1 | 105 | 6.5 | 2.3 | 100 | 156 | 6700 | 8000 | 1.13 |
| NN3016K | 80 | 125 | 34 | 1.1 | 113 | 6.5 | 2.5 | 120 | 186 | 6300 | 7500 | 1.56 |
| NN3017K | 85 | 130 | 34 | 1.1 | 118 | 6.5 | 2.5 | 125 | 200 | 6000 | 7000 | 1.64 |
| NN3018K | 90 | 140 | 37 | 1.5 | 127 | 6.5 | 2.5 | 140 | 225 | 5600 | 6700 | 2.13 |
| NN3019K | 95 | 145 | 37 | 1.5 | 132 | 6.5 | 2.5 | 143 | 236 | 5300 | 6300 | 2.23 |
| NN3020K | 100 | 150 | 37 | 1.5 | 137 | 6.5 | 2.5 | 146 | 245 | 5300 | 6300 | 2.32 |
| NN3021K | 105 | 160 | 41 | 2 | 146 | 6.5 | 2.6 | 190 | 310 | 4800 | 5600 | 2.96 |
| NN3022K | 110 | 170 | 45 | 2 | 155 | 6.5 | 2.8 | 220 | 360 | 4500 | 5300 | 3.76 |
| NN3024K | 120 | 180 | 46 | 2 | 165 | 6.5 | 3.1 | 232 | 390 | 4300 | 5000 | 4.1 |
| NN3026K | 130 | 200 | 52 | 2 | 182 | 9.5 | 3.3 | 290 | 500 | 3800 | 4500 | 6.04 |
| NN3028K | 140 | 210 | 53 | 2 | 192 | 9.5 | 3.3 | 300 | 520 | 3600 | 4300 | 6.48 |
| NN3030K | 150 | 225 | 56 | 2.1 | 206 | 9.5 | 3.7 | 335 | 585 | 3400 | 4000 | 7.88 |
| NN3032K | 160 | 240 | 60 | 2.1 | 219 | 9.5 | 4.2 | 375 | 670 | 3200 | 3800 | 9.57 |
| NN3034K | 170 | 260 | 67 | 2.1 | 236 | 9.5 | 4.5 | 450 | 800 | 3000 | 3600 | 13 |
| NN3036K | 180 | 280 | 74 | 2.1 | 255 | 12.2 | 4.8 | 570 | 1000 | 2800 | 3400 | 17 |
| NN3038K | 190 | 290 | 75 | 2.1 | 265 | 12.2 | 4.8 | 585 | 1040 | 2600 | 3200 | 18 |
| NN3040K | 200 | 310 | 82 | 2.1 | 282 | 12.2 | 5.3 | 655 | 1200 | 2400 | 3000 | 23 |
| NN3044K | 220 | 340 | 90 | 3 | 310 | 15 | 5.5 | 800 | 1460 | 2200 | 2800 | 32.9 |
| NN3048K | 240 | 360 | 92 | 3 | 330 | 15 | 6 | 850 | 1560 | 2000 | 2600 | 36 |
| NN3052K | 260 | 400 | 104 | 4 | 364 | 15 | 6.5 | 1060 | 2000 | 1900 | 2400 | 48 |





